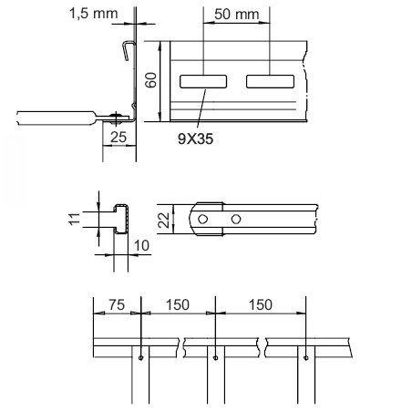
Drabinka kablowa, wysokość=60 mm.
Drabinka kablowa wyposażona w perforowane wzdłużnice oraz nitowane szczeble. Szczeble wykonane są z profilu w kształcie litery „C”. Drabinka utrzymuje ciągłość potencjału zgodnie z DIN EN 61537.
Produkt dostępny jest również w wykonaniu ze stali kwasoodpornej, materiał 1.4571 / 1.4404 (V4A).













