Your cart is empty

  • Korytka siatkowe

GW 05-10

Declaration of conformity

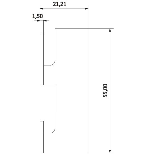
Spacer bar for wire mesh tray detent dimension

Hot-dip galvanized, according to BS 729 (EN ISO 1461)

Name H[mm] B[mm] L[mm] t[mm] G[kg]
GW 05-10F
55
21
93
1,5
0,09
+

Stainless steel, according to ASTM 304 / BS 304 S 3

Name H[mm] B[mm] L[mm] t[mm] G[kg]
GW 05-10E
55
21
93
1,5
0,07
+

Stainless steel, according to ASTM 31 Ti / AISI 316 L, BS 320S17 / BS 316S11

Name H[mm] B[mm] L[mm] t[mm] G[kg]
GW 05-10E4
55
21
93
1,5
0,07
+