Kaseta ślepa z tubusem wylotowym, okrągła, poziomowalna.
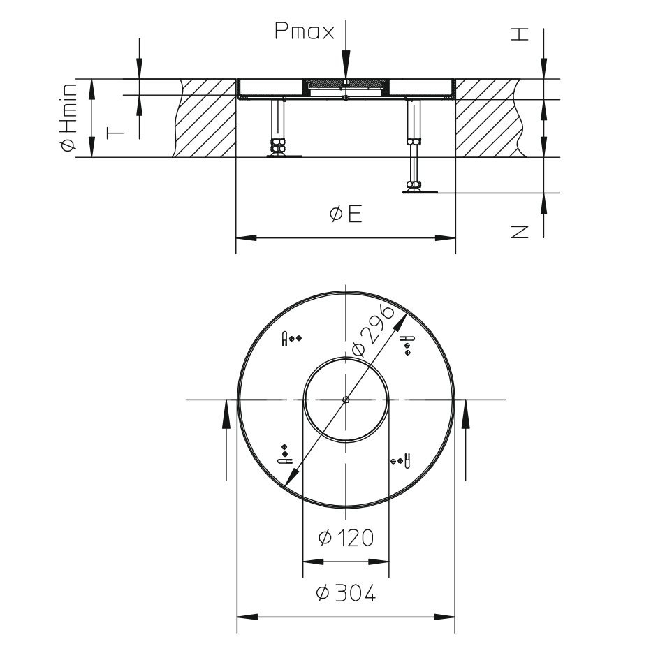
Kaseta ślepa wykonana ze stali nierdzewnej wyposażona w wyprowadzenie pod tubus. Kaseta przeznaczona do instalacji montowanych w podłogach zalewanych jastrychem, oraz w podłogach podwójnych technicznych lub podniesionych. Kaseta fabrycznie wyposażona w stopy poziomujące. Pokrywa przeznaczona do wypełnienia np.: wykładziną dywanową, kamieniem, gresem lub parkietem. Pokrywa i wyprowadzenie pod tubus wyposażone jest w uszczelki dzięki czemu możliwe jest czyszczenie podłogi na mokro (także przy użyciu maszyn myjących). Kaseta umożliwia montaż do 3 puszek instalacyjnych (czyli max. do 12 modułów 45 mm x 45 mm) w ramce montażowej (brak w komplecie). Kaseta fabrycznie wyposażona w dekiel tubusu (tubus sprzedawany oddzielnie).
Szczelne domknięcie kasety realizowane jest poprzez obrót pokrywy.
