Kaseta zachowania czystości z zespołem do montażu tubusa, pojedyncza, okrągła, poziomowalna.
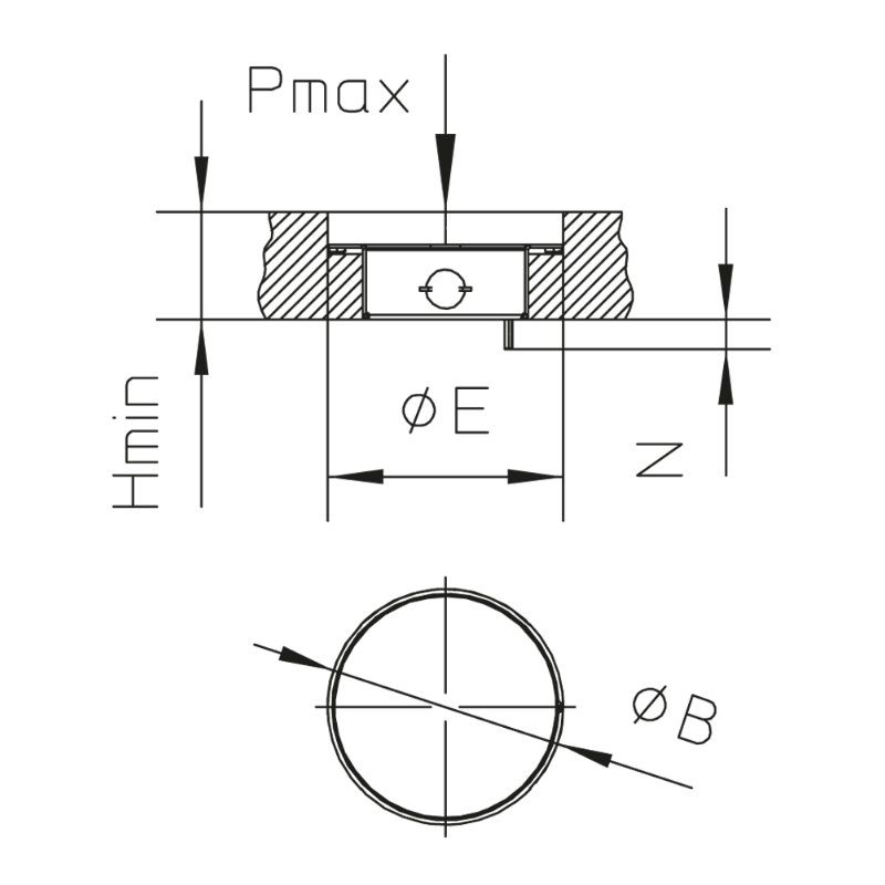
Okrągła kaseta zachowania czystości pod tubus, wykonana z anodowanego aluminium. Kaseta fabrycznie wyposażona jest w jedno modułowe gniazdo zasilające (Schuko) koloru białego. Pokrywa płaska fabrycznie wyposażona w uszczelkę. Możliwość poziomowania za pomocą czterech śrub umieszczonych w podstawie. Po usunięciu pokrywy istnieje możliwość instalacji tubusu. Montaż tubusu i pokrywy - bezgwintowy. Kaseta przeznaczona jest do instalacji bezpośrednio na chudziaku - łączona z jastrychem. Przystosowana do montażu w pomieszczeniach z podłogami czyszczonymi na mokro. Kaseta zaprojektowana do obciążeń biurowych.

