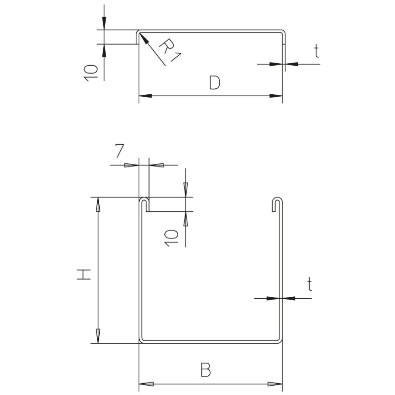
Mały kanał z pokrywą.
Mały kanał podłogowy bez perforacji, z pokrywą, wykonany ze stali ocynkowanej metodą Sendzimira zgodnie z DIN EN 10346, przeznaczony do prowadzenia pojedynczych kabli. Montaż do kanału głównego poprzez redukcję BKRKK.
Mały kanał z pokrywą.
Mały kanał podłogowy bez perforacji, z pokrywą, wykonany ze stali ocynkowanej metodą Sendzimira zgodnie z DIN EN 10346, przeznaczony do prowadzenia pojedynczych kabli. Montaż do kanału głównego poprzez redukcję BKRKK.
| Nazwa | H[mm] | B[mm] | L[mm] | D[mm] | t[mm] | G[kg] | |
|---|---|---|---|---|---|---|---|
| KLK 30-03S |
30
|
30
|
3000
|
31
|
1,00
|
3,79
|
|
| KLK 30-05S |
30
|
50
|
3000
|
51
|
1,00
|
4,52
|
|
| KLK 40-04S |
40
|
40
|
3000
|
41
|
1,00
|
4,73
|
|
| KLK 60-06S |
60
|
60
|
3000
|
61
|
1,00
|
6,66
|