Twój schowek jest pusty





  • Systemy samonośne

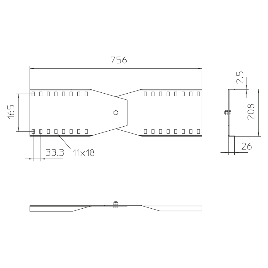
WLVV 200

Deklaracja zgodności

Łącznik pionowy samonośnej drabinki / korytka kablowego, wysokość=200 mm.

Zastosowanie łącznika zapewnia drabinkom kablowym utrzymanie ciągłości potencjału zgodnie z DIN EN 61537.

Ocynk metodą Sendzimira, zgodnie z DIN EN 10346

Nazwa H[mm] L[mm] B[mm] t[mm] G[kg]
WLVV 200S
203
756
26
2,50
3,73
+

Ocynk zanurzeniowo-ogniowy, zgodnie z BS 729 (EN ISO 1461)

Nazwa H[mm] L[mm] B[mm] t[mm] G[kg]
WLVV 200F
203
756
26
2,50
4,00
+